Paratoie camere dissabbiature

image3

Paratoie camere dissabbiature Centrale di Tel      

Oggetto principale del lavoro:        

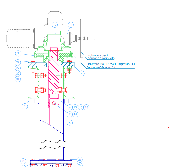
  • Fornitura e posa di n.2 paratoie sghiaiatrici 3000x4000mm 6m H2O comprensive di n.2 gargami, soglia e portameccanismi per paratoie sghiaiatrici, aste filettate di manovra e sistema di azionamento a riduttori e attuatore elettromeccanico
  • Fornitura e posa di n.2 ballatoi di accesso ai piani di manovra
  • Revisione con fornitura e posa di meccanismi di manovra per adattamento di n.2 paratoie dissabbiatrici basse
  • Revisione con fornitura e posa di meccanismi di manovra per adattamento di n.2 paratoie dissabbiatrici alte
  • Revisione con fornitura e posa di meccanismo di manovra per adattamento di n.1 paratoia dissabbiatrice canale laterale
  • Revisione con fornitura e posa di meccanismo di manovra per adattamento di n.1 paratoia scarico dissabbiatore
  • Ingegneria e CND sulla fornitura